Зажим для банок с крышками СКО
Зажим предназначен для прочной фиксации закаточной крышки на стеклянной банке объемом от 0.5 до 3 л, предотвращает ее срыв во время приготовления тушенки и другой консервации в автоклаве.
Зажим надевается после закупорки металлической крышки на стеклянной банке и остается на банке до полного приготовления тушеного мяса во время стерилизации. Снять зажим с банки можно лишь после её полного остывания.
При использовании банок под закаточные крышки, сначала используйте специальную машинку для закатки крышек на банку. После чего на каждую банку установите специальные зажимы во избежании срыва крышек во время приготовления.
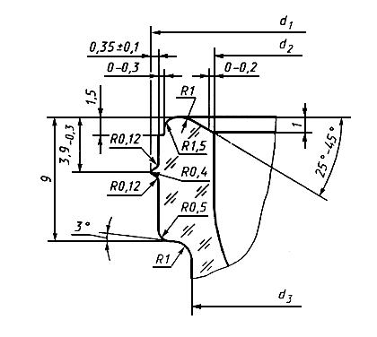
Зажимы для банок СКО используются только для банок указанных в ГОСТ 5717.2-2003 с венчиком типа I номером 82 мм, сечение горловины банки представлено на рисунке ниже.
Соответствует требованиям ТР ТС 005/2011 “О безопасности упаковки”, ТУ 25.92.13-001-61333997-2020, ЕАЭС N RU Д-RU.ПХ01.В.05795/20 от 27.02.2020 по 26.02.2025
Внимание! Использование банок с крышками под закатку без зажимов приведет к срыву крышки с банки за счет разницы в давлении при остывании во время процесса автоклавирования, что приведет к порче продукта. После срыва крышки повторное использование будет невозможно.
Устройство для консервации изготовлено из алюминиевого сплава. Перед использованием необходимо промыть.
Для открытия закаточных крышек применяются специальные устройства (приобретаются отдельно), при их отсутствии применяют подручные инструменты.
Повторное использование закаточных крышек для дальнейшего приготовления в автоклаве запрещается.